PRODUCT CATEGORIES
- Bow Thrusters (64)
- Anchors & Anchor Connectors (10)
- Anchor Rollers (8)
- Windlasses & Accessories (85)
- Anchor Chains (7)
- Connectors, Swivels, Thimbles (8)
- Anchor Lines (4)
- Dock Lines (5)
- Fenders & Accessories (11)
- Fender Covers & Racks (5)
- OCEAN Products (27)
- Boat Hooks & Holders (24)
- Buoys (14)
- Mooring/Anchoring Springs (3)
- Platforms & Gangways (10)
- Boarding Ladders & Accessories (38)
- Ropes Accessories (1)
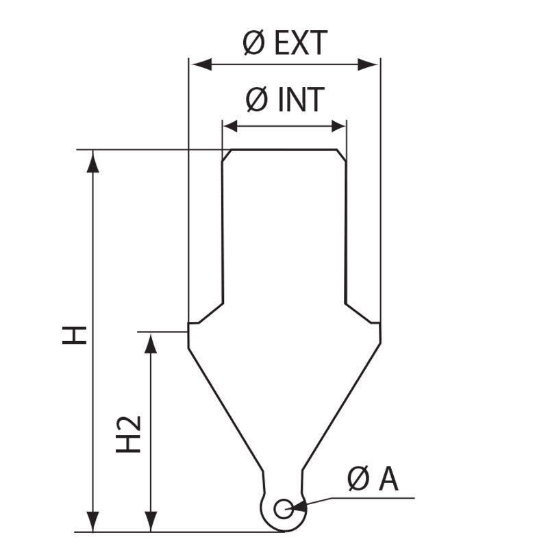
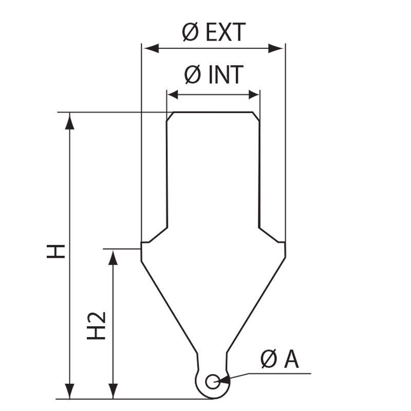
Marking Buoys Cylindrical
Made of rigid plastic. A metal eyelet reinforces the ring. Available in two filling options: empty or foam filled.
Product Description
Made of rigid plastic. A metal eyelet reinforces the ring. Available in two filling options: empty or foam filled. Designed & produced in Italy.

Items / Versions
| Code | Description | Color | Description | Buoyancy | ØA | Use | External Diameter | Internal Diameter | H | H2 |
|---|---|---|---|---|---|---|---|---|---|---|
| 16433 | Marking Buoy, Cylindrical, Ext.Ø400mm, Yellow | Yellow | empty | overall:38kg/ in use:14kg | 38mm | Portside channel marking | 400 mm | 250 mm | 740 mm | 363 mm |
| 16434 | Marking Buoy, Cylindrical, Foam Filled, Ext.Ø400mm, Yellow | Yellow | overall:36kg/ in use:12kg | overall:36kg/ in use:12kg | 38 mm | Portside channel marking | 400 mm | 250 mm | 740 mm | 363 mm |
| 16436 | Marking Buoy, Cylindrical, Foam Filled, Ext.Ø800mm, Yellow | Yellow | foam | overall 265kg/95kg | 55mm | Large size for channel entrance.Portside side | 800 mm | 510 mm | 1610 mm | 790 mm |
| 31312 | Marking Buoy, Cylindrical, Foam Filled, Ext.Ø400mm, Red | Red | foam | overall:36kg/ in use:12kg | 38mm | Portside channel marking | 400 mm | 250 mm | 740 mm | 363 mm |
| 31928 | Marking Buoy, Cylindrical, Ext.Ø400mm, Red | Red | empty | overall:38kg/ in use:14kg | 38mm | Portside channel marking | 400 mm | 250 mm | 740 mm | 363 mm |
| 35628 | Marking Buoy, Cylindrical, Foam Filled, Ext.Ø800mm, Red | Red | foam | overall 265kg/95kg | 55mm | Large size for channel entrance.Portside side | 800 mm | 510 mm | 1610 mm | 790 mm |
| 43404 | Marking Buoy, Cylindrical, Ext.Ø800mm, Yellow | Yellow | empty | overall 290kg/110kg | 55mm | Large size for channel entrance.Portside side | 800 mm | 510 mm | 1610 mm | 790 mm |
| 43405 | Marking Buoy, Cylindrical, Ext.Ø800mm, Red | Red | empty | overall 290kg/110kg | 55mm | Large size for channel entrance.Portside side | 800 mm | 510mm | 1610 mm | 790 mm |
English